| Умовний діаметр | Ціна, грн. без ПДВ | Наявність на складі, шт. | Резерв, шт. | Маса, кг |
|---|---|---|---|---|
| Ду 80 | 0,00 | 1 | 0 | 33,1 |
| Ду 125 | 0,00 | 8 | 0 | 62,0 |
| Ду 150 | 0,00 | 1 | 0 | 85,0 |
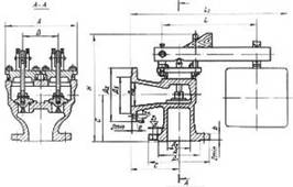
Чавунні важільно-вантажні клапани 17ч19бр призначені для скидання середовища при підвищенні тиску понад допустиме на стаціонарних парових і водогрійних котлах, резервуарах або трубопроводах. Встановлюються у робоче положення таким чином, щоб важелі були розташовані горизонтально, а штоки вертикально. Для продувки клапана важіль піднімають вручну.
Клапани налаштовуються для роботи при необхідному робочому тиску шляхом встановлення відповідних вантажів. Вантажі не входять у комплект постачання. За вимогою замовника вантажі постачаються за окрему плату.

| DN | Н | С | Д | Д1 | Д2 | Д3 | d | d1 | Z | Z1 | a | b | А | В | Kv max т/ч |
| 80 | 350 | 155 | 138 | 195 | 185 | 128 | 18 | 18 | 4 | 4 | 15 | 19 | 226 | 118 | 15 |
| 125 | 399 | 185 | 188 | 245 | 245 | 178 | 18 | 18 | 8 | 8 | 17 | 23 | 296 | 154 | 46 |
| 150 | 445 | 200 | 212 | 280 | 280 | 202 | 18 | 23 | 8 | 8 | 17 | 25 | 360 | 184 | 64 |
Діаметр номінальний, DN мм | Т/ф | Діапазон робочого тиску Рр. МПа (кгс/см2) | Кількість вантажів, шт | Маса вантажу, кг | Довжина плеча важеля, мм | Маса без вантажу, кг |
80 | 17ч19бр 17ч19бр1 | 0,4...0,9 (4...9) 1.0...1.6 (10…16) | 2 4 | 11,5 |
190..560 310...540 | 33,1 |
125 | 17ч19бр 17ч19бр1 17ч19бр2 17ч19брЗ | 0.2...0.5 (2...5) 0.6...0.9 (6…9) 1.0...1.3(10…13) 1.4...1.6 (14…16) | 2 4 6 8 | 24,0 | 220...790 510...755 565...715 595...680 | 62 |
150 | 17ч19бр 17ч19бр1 17ч19бр2 17ч19брЗ 17ч19бр4 | 0,2...0,4 (2...4) 0,5…0,7 (5…7) 0.8…1.0 (8…10) 1.1...1.3 (11...13) 1,4...1.6(14...16) | 2 4 6 8 10 | 27,0 | 285...713 473...700 536...700 583...698 605...697 | 85 |
| Найменування параметру | Показник |
|---|---|
| Умовний тиск Ру, МПа (кгс/см²) | 1,6 (16) |
| Тип приєднання | фланцевый |
| Робоче середовище | вода, пар, неагресивні рідини |
| Максимальна температура робочого середовища, °С | 225 |
| Найменування | Матеріал |
|---|---|
| Кришка | Сірий чавун |
| Золотник | Сірий чавун |
| Корпус | Сірий чавун |
| Ущільнювальні поверхні | Латунь ЛС 59-1 (нержавіюча сталь 20х13) |